Produkter
Flänsad backventil
  • Flänsad backventilFlänsad backventil

Flänsad backventil

Den flänsade backventilen tillverkas av GenTant, en ledande ventiltillverkare och leverantör i Kina. Vår fabrik betjänar en stor och mångsidig kundkrets, som stöds av ett starkt globalt exportrekord. Vi har framgångsrikt levererat högkvalitativa ventiler till många kunder och stora marknader över hela världen, inklusive omfattande export till Europa, Nordamerika och Ryssland. Denna internationella räckvidd visar vår bevisade förmåga att möta olika internationella standarder och de krävande kraven från globala ingenjörsprojekt, vilket stärker vårt rykte som en pålitlig och kapabel partner inom flödeskontrollbranschen.

En flänsad backventil är en robust industriell flödeskontrollanordning utformad för att automatiskt tillåta vätskeflöde i en riktning och förhindra omvänt flöde i ett rörsystem. Den uppnår detta genom en gångjärnsförsedd skiva eller svängmekanism som öppnas under framåttryck och stängs av gravitation och/eller tillbakaflödestryck för att skapa en positiv tätning. Dess definierande egenskap, de flänsade ändarna, möjliggör säker och enkel bultning mellan rörflänsar, vilket säkerställer en högintegritet, läckagebeständig anslutning som är lämplig för högtrycksapplikationer och applikationer med stor diameter. Denna funktion är avgörande för att skydda pumpar, kompressorer och annan nyckelutrustning från skador på grund av vattenslag och omvänt flöde, och för att upprätthålla systemets effektivitet och säkerhet inom vattenrening, kraftgenerering, kemisk bearbetning och olje- och gasindustri.


Produktfunktion och tillämpning

Den flänsförsedda backventilen är designad för säker, envägsflödeskontroll i rörsystem, med flänsade ändar för enkel installation och starka, läckagesäkra anslutningar. Dess sväng- eller lyftmekanism förhindrar tillbakaflöde och skyddar pumpar, rörledningar och utrustning från skador. Används i stor utsträckning inom vattenförsörjning, HVAC, industriella och kemiska system, det säkerställer tillförlitlig drift, minskar underhållet och upprätthåller stabil systemprestanda.


Produktparameter

1. Nominellt tryck: 1,6 MPa  

2. Arbetsmedium: Vatten, icke-frätande och icke brandfarliga gaser

3. Driftstemperatur: -20°C ≤ T ≤ 150°C  


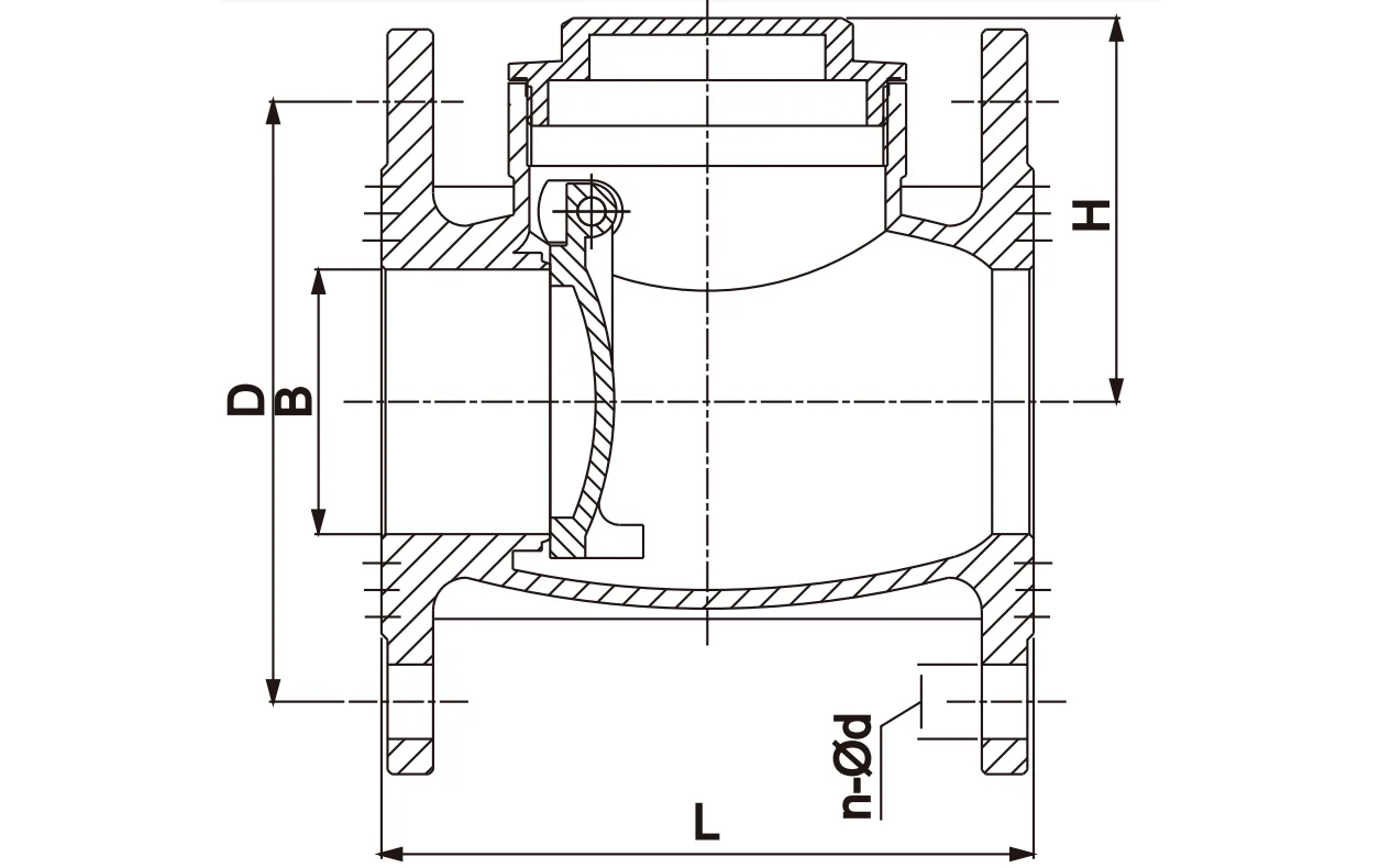
Produktdimension

Flanged Check Valve

DN

L (mm)

H (mm)

D (mm)

B (mm)

n-⌀d

WT (g)

40

135

73

110

40

4-18

3893.0

50

143

85

125

50

4-18

5381.0

65

160

95

145

65

4-18

7611.0

80

185

104

160

80

8-18

9445.0

100

210

118

180

100

8-18

12885.0

125

235

133

210

120

8-18

18550.0

150

263

142

240

142

8-23

27000.0


Installationsriktlinjer

1. Rengör och förbered rörsystemet noggrant innan du installerar ventilen.

2. Före installation, ta bort eventuella skyddande ändlock och inspektera ventilportarna och sätesytorna för att säkerställa att de är rena.

3. Ge tillräckligt stöd för ventilen för att undvika stress från anslutning av rör.

4. Bekräfta att ventilens tryck- och temperaturklassificeringar är lämpliga för de avsedda driftförhållandena.

5. Innan den flänsförsedda backventilen tas i bruk, cykla den helt från öppen till stängd för att kontrollera att den fungerar smidigt.

6. Efter installationen, kontrollera att packmuttern är ordentligt åtdragen.


Note 1: Flänsade backventiler kan installeras i horisontella eller vertikala rör med uppåtgående flöde, eller i mellanliggande riktningar, förutsatt att gångjärnstappen på svängventilerna förblir horisontella. Installera backventiler på tillräckligt avstånd från pumpens utlopp eller andra turbulenta flödeskällor. Se relevant teknisk bulletin för detaljer.


Obs 2: Vissa backventiler kan innehålla intern förpackning för att skydda skivan under transport. Ta bort allt sådant förpackningsmaterial före installation.


Bruksanvisning

Flänsade backventiler fungerar automatiskt och kräver inga manuella ingrepp.


Inspektion och underhåll

1. Rutininspektion och förebyggande underhåll krävs i allmänhet inte, förutom enstaka justeringar av spindelpackning och periodisk cykling av ventilen från öppen till stängd.

2. Om en packningsläcka uppstår, dra åt packningsmuttern medurs cirka ett kvarts varv – eller tills läckaget upphör – för att öka tätningstrycket på spindelpackningen. Packa aldrig om en ventil när den är under systemtryck.

3. Vid byte av ventilskaftet, byt även ut packningsmaterialet.


Ersättningsdelar

Under normala driftsförhållanden behövs sällan reservdelar. Rekommenderade reservdelar för varje ventiltyp inkluderar: Skiva, hållare och gångjärn.

När du beställer delar, vänligen ange ventilens figurnummer, storlek, nödvändig del och ungefärlig ålder.


Underhåll

1. Regelbunden rengöring. För att undvika påverkan av föroreningar och sediment i rörledningen på backventilen är det nödvändigt att regelbundet rengöra den horisontella backventilen helt i koppar och insidan av rörledningen.


2. Notera omväxlande kall- och varmvattendrift. Att ofta öppna och stänga backventilen kommer att orsaka skador, så omväxlande kall- och varmvattendrift bör undvikas.


3. Notera trycket. När du använder den horisontella backventilen helt i koppar, bör du vara uppmärksam på trycksituationen inuti rörledningen, eftersom för högt tryck kommer att ha en negativ effekt på backventilen. Kort sagt är den horisontella backventilen helt i koppar en vanlig enhet i rörledningssystem, och dess användning och underhåll är mycket enkla och lätta. Vid faktisk användning bör användare driva och underhålla enligt ovanstående krav för att säkerställa användningseffekten.



Hot Tags: Kina flänsad backventil tillverkare, leverantör, fabrik
Skicka förfrågan
Kontaktinformation
Om du har någon förfrågan om offert eller samarbete får du gärna maila oss på zchen@gentantvalves.com eller använd följande förfrågningsformulär. Vår säljare kommer att kontakta dig inom 24 timmar. Tack för ditt intresse för våra produkter.
X
Vi använder cookies för att ge dig en bättre webbupplevelse, analysera webbplatstrafik och anpassa innehåll. Genom att använda denna sida godkänner du vår användning av cookies. Sekretesspolicy
Avvisa Acceptera